转子水轮机
转让价格:面议
名称: 转子水轮机 专利号:202111036589.7 专利人:任建华 项目简介: 转子水轮机 本项目属于新型的全贯流式发电水轮机,用于中低水头。主要有两大优势: 一、实现水电能转换率最大化。变现行的“水轮转子串用一根轴”结构,为“水轮转

名称: 转子水轮机 专利号:202111036589.7 专利人:任建华 项目简介: 转子水轮机 本项目属于新型的全贯流式发电水轮机,用于中低水头。主要有两大优势: 一、实现水电能转换率最大化。变现行的“水轮转子串用一根轴”结构,为“水轮转

名称:一种具有除菌恒温加热烘干功能的智能浴室柜 专利号:202120467447.5 专利权人:陈楠 技术领域 本申请涉及一种智能浴室柜,具体是一种具有除菌恒温加热烘干功能的智能浴室柜。 背景技术 浴室柜是浴室间放物品的柜子,其面材可分为天然石材、玉

名称:一种用于腹泻调理的辅食及其制备方法 专利号:202410316208.8 专利权人:邢祝飞 技术领域 本发明属于辅食技术领域,尤其涉及一种用于腹泻调理的辅食及其制备方法。 背景技术 腹泻是一种常见症状,俗称“拉肚子”,是指排便次数明显超过平日习

名称:一种可有效散热的充气泵 专利号:202322065001.1 专利权人:王绅宇 技术领域 本实用新型涉及充气设备技术领域,具体是涉及一种可有效散热的充气泵。 背景技术 充气机又叫打气机、打气泵、充气泵。通过马达的运转来工作。充气机是马达运转,抽

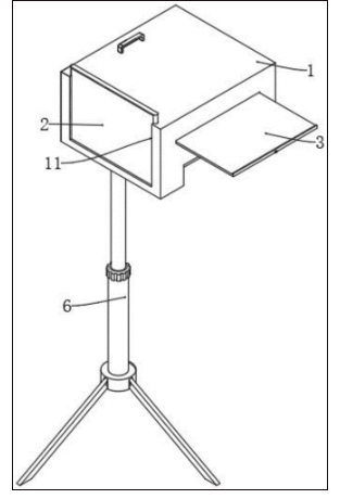
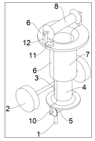
名称:自动识别测量植物样方设备 专利号:202510139784.4 专利权人:次平 技术领域 本发明涉及植物样方测量器具技术领域,具体为自动识别测量植物样方设备。 背景技术 林草综合监测-草原监测在其《技术规程》规定样方内选取3个1m×1m测产小样

名称:一种握笔高度指引的铅芯卷笔刀 专利号:202422633952.9 专利权人:杨艳秋 技术领域 本实用新型属于卷笔刀技术领域,特别是涉及一种握笔高度指引的铅芯卷笔刀。 背景技术 铅芯卷笔刀又称削笔刀,是学生必备的文具。卷笔刀有单孔和双孔两款的简

名称:一种跃进式播种机械 专利号:202411117982.2 专利权人:杨亚雄 技术领域 本发明涉及农业机械技术领域,更具体的说是涉及一种以电池为能源的半自动播种机械。 背景技术 在中国农村实行家庭联产承包责任制后,北方非平原地区单个农民家庭经营的

名称:一种大蒜收获机 专利号:201910274378.3 专利权人:张国凡 技术领域 本发明涉及农用机械技术领域,具体是指一种大蒜收获机。 背景技术 我国是全世界最大的大蒜生产国、消费国和出口国,大蒜生产历史悠久、品质优良,国产大蒜深受国内外消费者

名称:一种生态敏感区实时定位与语音提示AI查询器及方法 专利号:202510675767.2 专利权人:次平 技术领域 本发明涉及地理信息系统(GIS)、全球定位系统(GPS)及生态环境保护技术领域,具体为一种便携式生态敏感区实时查询装置及方法,通过集成生态敏感

名称:一种基于微环境调控的蓝莓植株抗寒防冻装置及使用方法 专利号:202511531112.4 专利权人:姜洪坤 技术领域 本发明涉及蓝莓植株抗寒保护技术领域,具体为一种基于微环境调控的蓝莓植株抗寒防冻装置及使用方法。 背景技术 众所周知,蓝莓是杜鹃

名称:一种折射反射镜头 专利号:202211192979.8 专利权人:张爱武 技术领域 本发明涉及镜头领域,特别涉及一种折射反射镜头。 背景技术 申请号为2009200570809公开一种大口径折返镜头,参阅其公开文件的图2,其透镜6中间开设一个

名称:一种可调节的反射式无反相机镜头 专利号:202420543090.8 专利权人:张爱武 技术领域 本实用新型属于相机镜头技术领域,特别是涉及一种可调节的反射式无反相机镜头。 背景技术 相关技术中,公开了公开号为CN218938752U的一种单反